Application
The design enables a single product to be directly fastened to concrete, timber, open web joists, or I-beam clamps.
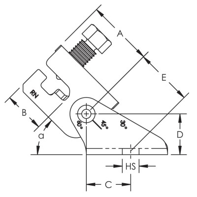
The inclination angle indicator allows verification of the installation angle of the bracing member.
The torque-controlled bolt head enables rapid installation and visual inspection of seismic bracing assemblies.
Compatible with bracing pipes from 1" to 2", reducing inventory requirements.
The compact design minimizes pull-out forces on the anchor.
Compliant with NFPA 13 and pre-qualified for seismic applications.
Tested in accordance with FM Approvals specifications.
FM Specification tested with the following brace members:
Type A Solid Strut (12 gauge or thicker), 1–2 in Sch40 / EN 10255H pipe, 1 in EMT conduit, and 1 in rigid conduit.
Material: Steel, electro-galvanized.
Technical Data
| Hole Diameter | Hole Size | Width (W) | Thickness (T) | A | B | C | D | E | UL Listed Load |
|---|---|---|---|---|---|---|---|---|---|
| M12 | 13 mm | 49 mm | 5 mm | 52 mm | 33 mm | 35 mm | 32 mm | 44 mm | 8896 N |
| M20 | 20.6 mm | 49 mm | 5 mm | 52 mm | 33 mm | 35 mm | 32 mm | 44 mm | 8896 N |
Certificati


| Code | Name | Weight | Number of pieces | ||
|---|---|---|---|---|---|
| 404135 | AGGANCIO ANTISISMICO UL/FM M12 | 7.36 | - | Information request | |
| 404137 | AGGANCIO ANTISISMICO UL/FM M20 | - | - | Information request |